Системы автоматизации котлов

В теплогенерирующих установках в настоящее время применяют различные схемы и системы автоматизации основных технологических процессов; некоторые из них перечислены ниже.

Автоматизация процесса горения в топочной камере. При такой автоматизации подача топлива и воздуха в топочную камеру зависит от требуемых параметров пара или горячей воды, которые должны быть направлены потребителю. Одновременно с регулировкой подачи в топочную камеру топлива и воздуха регулируется работа дымососа, служащего для поддержания необходимого разрежения в топочной камере и газовом тракте котла. Таким образом, в систему автоматического регулирования процесса горения входят регуляторы давления и разрежения, соотношения "топливо-воздух" и др.

Автоматизация питания котла водой. Для питания парового котла водой и обеспечения необходимого уровня воды в заданных пределах в барабане котла необходимо поддерживать требуемое соотношение между количеством подаваемой в котел воды, количеством образующегося пара и количеством удаляемой из котла продувочной воды. Для этого используются датчики уровня воды в барабане котла и регуляторы питания, воздействующие на количество подаваемой питательными насосами воды.

Автоматическое регулирование непрерывной продувки. Для поддержания постоянного солесодержания котловой воды в водотрубной системе котла необходимо часть солесодержащей воды непрерывно удалять из барабана котла и заменять ее чистой питательной водой. Для такой регулировки обычно используются датчики-солемеры котловой воды и регуляторы непрерывной продувки.

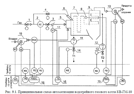
В настоящее время разработано значительное число разнообразных систем автоматизации теплогенерирующих установок, которые описаны в литературе. Перечислить и пояснить все их в данном пособии не представляется возможным, поэтому ниже для примера рассмотрена работа системы автоматизации водогрейного котла КВ-ГМ-10, работающего на газе. Принципиальная схема автоматизации котла показана на рис. 9.1. Целью автоматического регулирования технологического процесса получения горячей воды в водогрейном котле для нужд отопления в данном случае является поддержание на заданном уровне температуры воды на выходе из котла в зависимости от изменяющейся температуры наружного воздуха. Непрерывная циркуляция с постоянным расходом сетевой воды через котел при такой системе регулирования позволяет отказаться от системы автоматики по расходу воды.

Рассмотрим более подробно работу автоматизации котла на примере схемы, показанной на рис. 9.1.

Процесс получения горячей воды с заданной температурой и постоянным расходом происходит следующим образом. Центробежными сетевыми насосами непрерывно по магистрали Т2 подают воду через автоматическую задвижку 13 в котел. Вода, проходя через конвективные и экранные поверхности котла, которые находятся в конвективной шахте 9 и топочной камере 7, нагревается. После котла вода с заданной температурой направляется через автоматическую задвижку 14 в подающую магистраль Т1. Температура воды в подающей Т1 и обратной Т2 магистралях измеряется с помощью датчиков 11 и 12, сигнал от которых передается на терморегулятор 16, который при необходимости подает сигнал на исполнительный механизм регулирующего органа 17, увеличивая или уменьшая расход топлива в топочной камере котла и регулируя интенсивность горения. Это вызывает повышение или понижение давления продуктов сгорания на выходе из топочной камеры 7.

Одновременно с воздействием регулирующего органа 17 на расход топлива регулятор 18 измеряет изменение расхода воздуха с помощью датчика 2 и воздействует на направляющий аппарат дутьевого вентилятора 19 через регулирующий орган V2, за счет чего изменяется расход воздуха, идущего на горение. Это регулирование позволяет обеспечить при горении оптимальное соотношение "топливо - воздух".

От датчика разрежения 8, установленного на выходе продуктов сгорания из топочной камеры 7, сигнал поступает на регулятор разрежения 15, который выдает сигнал на регулирующий орган V3 дымососа 10. На регулятор 15 возложена задача поддерживать на выходе из топочной камеры постоянное разрежение за счет воздействия на исполнительный механизм направляющего аппарата дымососа 10.


Для розжига горелки 5 котла и пуска его в эксплуатацию используется соответствующая система, состоящая из ручного газового крана 4, запальника 6.

Для автоматического отключения подачи газа в аварийных ситуациях служит электромагнитный отсечной клапан 3, а для перекрытия подачи газа на котельную - задвижка 1.

На рис. 9.1 приняты следующие обозначения: Е - первичный датчик с электрическим выходным сигналом; С - регулятор; NS - пускорегулирующая аппаратура управления; Н - аппаратура дистанционного ручного управления; HS - ключ управления; М - электродвигатель (исполнительный механизм); V - регулирующий орган; датчики: Т - температуры, F - расхода, PD - давления дифманометрического типа.

Кроме вышеперечисленных систем автоматизации, в современных теплогенерирующих установках используются и многие другие, с действием которых можно ознакомиться в справочной литературе.

Карауш С. А./ Теплогенерирующие установки систем теплоснабжения: Учебное пособие для студентов вузов, обучающихся по направлению «Строительство». - Томск: Томский государственный архитектурно-строительный университет, 2003.

на главную