РАЗРАБОТКА ТРУБНОЙ СТАЛИ МАРКИ Х-70 ДЛЯ ПРИМЕНЕНИЯ В РАЙОНАХ АРКТИКИ

С исмльзованием термомеханической контролируемой прокатки (ТМСК) разработана трубная сталь для использования в районах Арктики марки Х70 по стандарту API 5L. Исследовано влияние микролегирования и технологических режимов на микроструктуру и механические свойства. Для получения высоких уровней прочности и вязкости содержание углерода уменьшили до 0,07 % вместе с добавками небольших количеств микролегирующих элементов (Nb, Ti, V). Окончательный контроль микроструктуры осуществляли посредством использования необходимых для этого режимов контролируемой проЛатки. Совместная добавка Nb и Ti приводит к одновременному увеличению прочности и вязкости. При введении 0,05 % Nb и 0,015 % Ti происходит увеличение прочности на 10 кге/мм2 благодаря формированию тонкой ферритной структуры и увеличению прочности ферритной фазы

Для определения оптимальных режимов контролируемой тфокапси и ускоренного охлаждения измеряли температуру аномального роста зерна, температуру . отсутствия рекристаллизации е температуру превращений. Для получения стабильных механических свойств и определенной гарантированной доли мелкого и дисперсного бейнита важен точный контроль величины накопленного суммарного обжатия (ARR) ниже температуры 900 °С й конечной температуры охлаждения (FCT) в диапазоне температур между 520 и 470 °С. Оптимальной микроструктурой для стали марки Х70 является смешанная структура, состоящая из 7075% мелкодисперсного феррита и 30—25% второй фазы (перлит и бейнит).

Разработанная сталь Х70 при использовании процесса PILAC (ускоренное охлаждение в линии POSCO)* демонстрирует высокий уровень механических свойств основного металла и высокий уровень вязкости зоны термического влияния (HAZ) при низкой температуре.

TMCR стали производятся по процессу PILAC начиная с 1988 г. Что касается трубных сталей, то большое количество этих сталей марки Х65 производилось для внутреннего потребления в Корее для изготовления магистральных трубопроводов. В последние годи обе) ж дается развитие сибирского региона, что требует производства трубной стали марки Х70 для использования в арктических районах. Как известно, климатические условия Сибири весьма суровы [l]: средняя температура зимой (—8)—(—10) °С; продолжительность зимы 8 мес.; наиболее низкая температура зимой —60 °С; скорость ветра 25—30 м/с; температура почвы (—3)—(—10) °С. Исходя из этих климатических условий, требования, предъявляемые к низкотемпературной вязкости трубной стали для Сибири, должны быть очень высокими. Требования к трубным сталям зависят от диаметра трубы и рабочего давления. Типичные примеры показаны в табл.1 [ll.

Как видно из табл.1, стали для Арктики должны иметь высокий уровень прочности, высокую ударную вязкость при низких температурах и хорошую свариваемость. Известно, что оптимальной шпсроструктурой для выполнения этих жестких требований для трубной стали Х70 является смешанная структура из мелкого феррита я дисперсной второй фазы. Известно, что микролегирование и контролируемая прокатка TMCR весьма эффективны для контроля микроструктуры, так как они приводят к измельчению зерна и дисперсионному упрочнению Благодаря этим микроструктурным характеристикам ферритная основа низколегированных сталей может быть использована в качестве подходящей микроструктуры для трубной стали марки Х70 [2, 3]. Для получения тонкой ферритной фазы при производстве высокопрочных марок трубных сталей используют низколегированные стали с добавками Nb, V и Ti [4, 5]. Для выполнения прочностных требований при производстве толстостенных труб помимо Nb, V и Ti вводят небольшие количества Си и Ni [4]. Но большие количества легирующих добавок могут ухудшить свариваемость. Вообще говоря, горячая прокатка в двухфазной области применяется для увеличения прочности низкоуглеродистых низколегированных сталей [5]. Однако в этом случае сильно падает производительность и трудно контролировать плоскостность листа. Для преодоления этого были использованы низколегированные стали с небольшими добавками Nb, V и Ti, а прокатку проводили при высокой температуре конца прокатки (выше, чем температура Лг3). При этом для определения оптимального легирования и режимов прокатки (с выше обозначенной точки зрения) подробно исследовали ряд параметров.

Вопервых, исследовали влчяние микролегирующих добавок на микроструктуру и механические свойства для выявления роли каждой добавки и связанный с ней механизм упрочнения.

Вовторых, исследовали влияние изменения режимов контролируемой лрокатки на микроструктуру при условии. прокатки в области отсутствия рекристаллизации.

Наконец, с применением PILACпроцесса была изготовлена трубная сталь марки Х70 для применения в арктических условиях. Ъыта проведены испытания основного металла и сварных соединений 30д*юймовой трубы (760 мм). Полученные результаты сравнивали с требованиями, предъявляемыми к трубным сталям (см.табл.2).


Эксперимгмтальные методики Исследованные стали

Для проведения базового исследования в вакуумной индукционной печи были выплавлены три различные стали, обозначенные А, В и С (табл.2). Для изучения влияния микролеги рующих добавок на микроструктуру, механические свойства и механизм упрочнения в сталях изменяли содержание Nb и Ti. После анализа результатов, полученных на сталях А, В и С, был изготовлен непрерывнолитой сляб из стали Р; его состав приведен в табл.2. Для получения высоких уровней вязкости и свариваемости, содержание углерода и углеродный эквивалент были снижены до 0,07% и до 0,37 соответственно. Для снижения содержания серы, фосфора и газов было проведено интенсивное рафинирование стали.

Базовое исследование

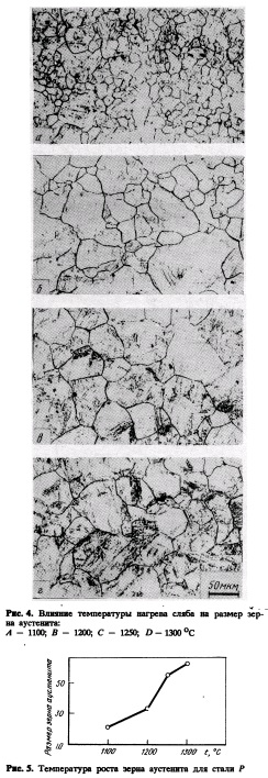
Для определения оптимальных температур нагрева исследовали закономерности роста зерна аустенита в процессе нагрева стали Р. Образцы нагревали в диапазоне от 1100 до 1300 °С, как показано на рис.1. После выдержки б течение 30 мин при температуре нагрева образцы закаливали до комнатной температуры и исследовали зерно аустенита.

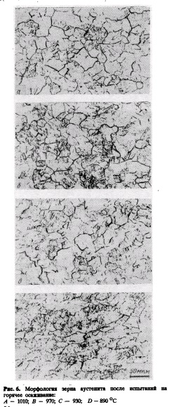
С помощью этого эксперимента была определена оптимальная температура нагрева сляба. Для определения температуры рекристаллизации были выполнены испытания на горячее осаживание по режиму, показанному на рис.2.


С учетом базовой информации была проведена экспериментальная прокатка, с помощью которой определили требуемый диапазон температур конца прокатки (FRT) и накопленное суммарное обжатие (ARR).

Фазовые превращения исследовали дилатометрическим способом на Greeble1500 и строили полную термокинетическую диаграмму (ССТ) путем исследования микроструктуры.

Эксперименгальная прокатка

Слитки из стали А, 3 и С прокатывали на лабораторном стане, оснащенном системой ускоренного охлаждения. Слябы из стали Р толщиной 220 мм нагревали до 1250 °С и прокатывали до толщины 100 мм. Эти раскаты толщиной 100 мм были разрезаны на несколько частей и прокатаны методом контролируемой прокатки до толщины 20 мм. Для получения полных результатов режимы контролируемой прокатки и ускоренного охлаждения варьировали в процессе эксперимента. После оптимизации режимов на лабораторном стане был осуществлен промышленный эксперимент с использованием системы PILAC. Сляб нагревали до 1200 °С для растворения легирующих элементов и минимизации аномального роста зерна аустенита. Для получения мелкого зерна феррита после превращения были использованы большие обжатия в области отсутствия рекристаллизации. Сразу после завершения горячей прокатки применяли ускоренное охлаждение со скоростью 11°С/с, которое прекращалось при температуре 480 °С. Режимы горячей прокатки приведены в табл.З.

На рис.7 представлены термокинетические диаграммы. Когда скорость охлаждения составляет 1°С/с, температура превращения выше 600 °С и происходит образование перлита

Влияние микролегирования на механические свойства и микроструктуру

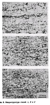
Влияние добавок Nb и Ti на прочность стали показано в табл.4. При добавке 0,015 % Ti предел текучести (<гт) увеличивается на 2 кгс/мм2. Добавка 0,015% Ti и 0, 045% Nb увеличивает предел текучести на 10 кгс/мм2. Наблюдается смешанная ферритно бейнитная структура, а размер зерна феррита изменяется в зависимости от химического состава (рис.8). Размер зерна феррита составил 10 мкм у стали А и уменьшился до 3 мкм у стали С (табл.5). Размер зерна феррита существенно уменьшается при добавке Nb и Ti. Объемная доля второй фазы не меняется при введении легирующих добавок и составляет 20%.

Однако при введении Nb и Ti твердость феррита возрастает от 170 до 191 HV. Исходя их этих результатов можно отметить, что упрочняющий эффект при введении Nb и Ti главным образом достигается в результате измельчения и упрочнения зерна феррита, а упрочняющий эффект от увеличения объемной доли второй фазы отсутствует. Упрочнение феррита достигается главным образом благодаря высокой плотности дислокаций и мелкодисперсным выделениям в ферритной матрице (рис.9).



Среди основных режимов контролируемой прокатки (таких, как RT, ARR, температура конца прокатки FRT, температура конца охлаждения FCT и скорость охлаждения CR) показано влияние ARR на механические свойства на рис.10. При увеличении ARR в области с отсутствием рекристаллизации предел текучести увеличивается, а температура вязкохрупкого перехода при испытании образцов Шарпи

В частности, трубная сталь марки Х70, изготовленная методом контролируемой прокатки, характеризуется высокой вязкостью, т.е. ударная вязкость при температуре —40 °С составляет 42 кгм и температура вязкохрупкого перехода около —80 °С. Такой высокий уровень вязкости объясняется низким углеродным эквивалентом у этой стали и тонкой микроструктурой, получаемой при точном контроле режимов прокатки и ускоренного охлаждения. Микроструктура трубной стали Х70 состоит из 70 % мелкозернистого феррита и 25% мелкодисперсного бейнита.

Небольшие добавки Nb и Ti очень эффективны для измельчения и упрочнения зерна феррита и приводят к существенному повышению предела текучести.

Большая величина обжатия в области отсутствия рекристаллизации (ниже 910 °С) является очень важным фактором при получении требуемой микроструктуры и механических свойств.

Разработанная сталь марки Х70 с использованием PILACпроцесса характеризуется высоким уровнем механических свойств основного металла и высокой вязкостью зоны термического влияния при низких температурах. Этого высокого уровня свойств достаточно для применения стали в условиях Арктики.

Авторы выражают признательность господам M.S.So и J.S.Park отдела контроля качества фирмы POSCO за участие в работе. Также авторы выражают благодарность господам D.H.Kim и J.H.Seo из исследовательского отдела фирмы Hyundai Pipes Со за их помощь в испытании и экспериментальной сварке труб.

СБОРНИК НАУЧНЫХ ТРУДОВ Черная металлургия России и стран СНГ в XXI веке. Т о м 5, Москва 1994

на главную