БЛОК ВОЗДУХОНАГРЕВАТЕЛЕЙ

Для нагрева дутья сооружают мощные аппараты: воздухонагреватели, объединенные в блок, в которые холодный воздух нагнетают воздуходувными машинами. Способ нагрева воздуха основан на принципе регенерации, при котором нагретая горячими продуктами сгорания огнеупорная насадка воздухонагревателей отдает тепло проходящему через нее холодному воздуху. Горячее дутье по воздухопроводу от воздухонагревателей подают через фурменные приборы (воздушные фурмы) в рабочее пространство доменной печи.

Воздухонагреватель — периодически действующий аппарат регенеративного типа. В качестве топлива, как правило, применяют доменный газ в смеси с природным или коксовым газом. Воздухонагреватели могут работать как в попарнопараллельном, так и в последовательном режиме. При четырех воздухонагревателях при попарнопараллельном режиме работы два воздухонагревателя находятся на обогреве и два на дутье. При последовательном режиме — один на дутье и три на нагреве. Каждый воздухонагреватель может находиться в одном из следующих режимов «на дутье», «на газу», «на отделении» и «на тяге»

Известны две конструкции воздухонагревателей — с встроенной или выносной камерой горения. Для нагрева дутья до 1300 °С (температура купола 1400—1450 °С) рекомендуется конструкция с внутренней камерой горения и независимым от стен опиранием купола (рис. 4.14, а) Для нагрева дутья до > 1300 °С (температура купола 1500—1550 °С) рекомендуется принимать конструкцию воздухонагревателя с выносной камерой горения (рис. 4.14, б).

Воздухонагреватели с выносной камерой горения имеют ряд преимуществ в сравнении с воздухонагревателями со встроенной камерой горения, значительно повышающих срок их службы и экономичность исключается возможность «короткого замыкания» в воздухонагревателях, когда холодный воздух в нижних зонах камеры насадки проникает в камеру горения вследствие разрушения разделительной стенки, лучше распределяются продукты горения по сечению камеры насадки и в связи с этим повышается коэффициент полезного действия воздухонагревателей; улучшается доступ к металлоконструкции по огнеупорной футеровке камеры горения; имеется возможность в определенных условиях размещения на ограниченной площади цеха блока воздухона

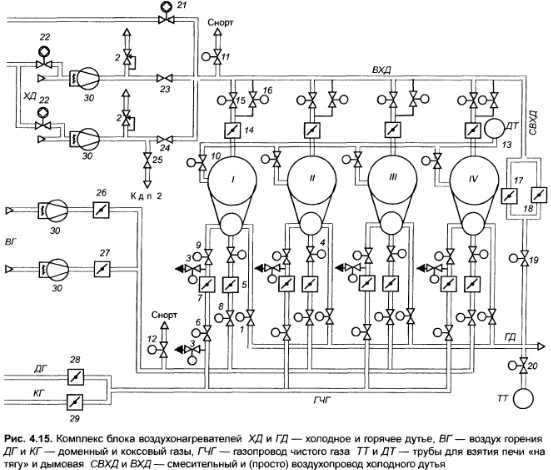
Рис. 4.14. Воздухонагреватели с внутренней (а) и с выносной (б) камерами горения НТЗ, СТЗ, ВТЗ— низко, средне, высокотемпературные зоны гревателей с большей поверхностью нагрева Воздухонагреватели такой конструкции целесообразно использовать при высоких параметрах дутья для доменных печей полезным объемом > 2000 м3 Количество воздухонагревателей в блоке должно быть не менее четырех При четырех воздухонагревателях в блоке расчеты должны выполняться исходя из достижения предусмотренной проектом температуры дутья при работе трех воздухонагревателей (один на ремонте) Для этого необходимо предусматривать соответствующие параметры по отопительному газу и воздуху горения (расходы и давление). Полученная расчетом поверхность нагрева должна быть не менее 80— 90 м2/м3 объема печи в зависимости от типа примененной насадки и заданной температуры дутья В состав комплекса блока воздухонагревателей (рис 4.15) входят воздухонагреватели, нагревательный тракт, тракт холодного дутья, тракт горячего дутья Комплект оборудования (на один воздухонагреватель/на блок в целом), входящего в систему блока воздухонагревателей с выносными камерами горения (см рис 4 15).


В комплекс блока воздухонагревателя входят также оборудование для зажигания (1/4), контроль зажигания (1/4), и система управления (—/1)

В состав нагревательного тракта для подачи газа и воздуха в камеру горения воздухонагревателя и отвода из него продуктов горения кроме газопровода чистого газа входят газовый регулирующий клапан 7, воздушный клапан горелки 4, газовый клапан 6, газовый клапан горелки 9, дымовые клапаны 10, перепускной дымовой клапан 13, газовый выпускной клапан 3 Этот тракт связывает камеру горения с газовой сетью завода

В состав тракта холодного дутья входят основной воздухопровод с воздушноразгрузочным клапаном («Снорт»), клапан холодного дутья 15, регулирующий клапан холодного дутья 14, перепускной клапан холодного дутья 16

По основному воздухопроводу холодный воздух от воздуходувной машины 30 поступает к воздухонагревателям, а по смесительному воздухопроводу с дроссельными клапанами 7 7, 18 часть холодного воздуха направляется в прямой воздухопровод горячего дутья на участке перед доменной печью для стабилизации температуры горячего дутья

В состав тракта горячего дутья входят прямой и кольцевой воздухопроводы горячего дутья с оборудованием его клапанами горячего дутья 7 и фурменными приборами доменной печи. Механизмы и оборудование тракта горячего дутья работают в исключительно тяжелых условиях, испытывая действие больших тепловых нагрузок. Детали механизмов тракта, испытывающие большие тепловые нагрузки, выполняются водоохлаждаемыми.

Широкое применение получило испарительное охлаждение клапанов горячего дутья, исключающее возможность образования накипи на стенках охлаждаемых деталей, засорение их полостей шламом и уменьшающее расход воды в несколько раз.

Применяемые на большинстве воздухонагревателей металлические горелки «труба в трубе» имеют ряд существенных недостатков, которых лишены устанавливаемые в последние годы керамические горелки, обеспечивающие на 10—15% большую тепловую мощность вследствие меньшего собственного гидравлического сопротивления; соосный с камерой горения факел при керамических горелках устраняет прямой удар пламени в кладку и разрушение по этой причине нижней, наиболее нагруженной части кладки камеры горения, керамические горелки создают более растянутый факел и позволяют переместить зону высоких температур в верхнюю часть камеры горения, т.е в зону с меньшим давлением в кладке от вышележащих слоев. Этим можно избежать разрушения кладки камеры горения по условиям ползучести огнеупоров.

Разработанной ВНИИМТ программой определения размеров воздухонагревателей предусматривается распределение огнеупорных и изоляционных материалов по высоте стен воздухонагревателя, а также в камере горения и камере насадки в зависимости от наличия следующих температурных зон, начиная от верха воздухонагревателей: высоко (1100—1500 °С), средне (900—1000 °С) и низкотемпературной (< 900 °С).

Футеровка воздухонагревателей испытывает.

— термические нагрузки, разные по величине и характеру, в зависимости от места расположения в воздухонагревателе (наибольшими они бывают в кладке стен и особенно в камере горения, где наблюдаемые перепады температур наибольшие),
— механические нагрузки под влиянием собственного веса огнеупоров (при их нагреве также возникают сжимающие напряжения в кладке);
— воздействие пыли (пыль, осаждаясь в каналах насадки, уменьшает их сечение, что приводит к ухудшению гидравлических характеристик воздухонагревателей и снижению их тепловой мощности)

Высокотемпературная зона воздухонагревателя, в которую входят купол, верхняя часть стен камеры горения и камеры насадки и самой насадки, независимо от конструкции воздухонагревателя должна выполняться из динаса Для компенсации температурных расширений динасовых огнеупоров конструкция компенсационных зазоров должна учитывать величину роста динаса Рост динасовой кладки должен восприниматься упругими минераловатными матами, укладываемыми между огнеупорной кладкой и торкретированным кожухом, что и компенсируются выгорающими прокладками. При определении числа устанавливаемых прокладок в слое кладки толщина одной прокладки принимается 3—4 мм.

В интервале 1000—1100 °С кладка всех элементов воздухонагревателя выполняется из муллитокорундовых изделий МКВ72 Внутренний скат камеры горения ниже границы динаса выполняется из огнеупоров МК80 или МКВ72 до оси нижней отметки. В интервале 1000—800 °С, 800—600 °С и ниже кладку всех элементов воздухонагревателя выполняют соответственно из каолина ШВ42 и шамотных изделий ШВ37 и ШВ28

Геометрические характеристики насадок*

Блочная шестигранная насадка хорошо зарекомендовала себя в эксплуатации и в настоящее время это основной тип насадок, применяемых при строительстве новых и реконструкции существующих воздухонагревателей Для устранения смещений насадки с перекрытием в ней отверстий (ячеек), которые могли бы произойти на стыке динасовых и муллитокорундовых изделий изза значительной разницы их коэффициентов линейного расширения при 1100 °С, (ад = 11,86 10“ , == 6,2 106), устраивается переходная зона из че тырехпяти рядов. Например: первый ряд выложен из 100 % муллитокорундовых изделий, второй ряд — из 75 % муллитокорундовых и 25 % динасовых изделий, третий ряд — из 50 % мулли токорундовых и 50 % динасовых изделий, четвертый — из 25% муллитокорундовых и 75 % динасовых изделий, пятый ряд — из динасовых изделий.

Воздухопровод горячего дутья футеруется четырьмя окатами, два внутренних оката футеруются муллитокорундовыми изделиями (МКВ72), два внешних оката — шамотным легковесным кирпичом. Внутренняя поверхность кожуха изолируется слоем асбестового картона.

Штуцеры горячего дутья от воздухонагревателей рекомендуется присоединять под прямым углом к прямому воздухопроводу горячего дутья в одной плоскости

В. А. Авдеев, В. М. Друян, Б. И. Кудрин, Основы проектирования металлургических заводов, М., 2002

на главную