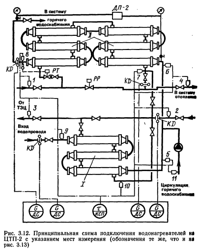
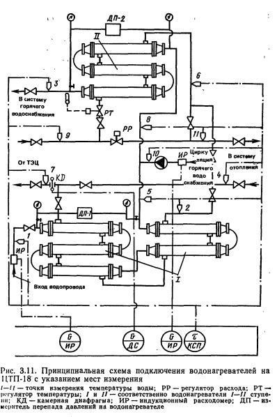
СООТНОШЕНИЕ ФАКТИЧЕСКИХ И РАСЧЕТНЫХ КОЭФФИЦИЕНТОВ ТЕПЛОПЕРЕДАЧИ ВОДОНАГРЕВАТЕЛЕЙНедогрев воды в системах горячего водоснабжения может быть вызван несоответствием фактических и расчетных коэффициентов теплопередачи. Для определения фактических коэффициентов теплопередачи и сопротивления водонагревателей систем горячего водоснабжения проведены испытания водонагревателей на эксплуатируемых ЦТП. Для испытаний выбраны ЦТП в юго- восточном районе столицы, находящиеся в эксплуатации более пяти лет. Испытываемые объекты оборудовались контрольно-измерительными самопишущими приборами для записи температуры и расходов греющей и нагреваемой воды (рис. 3.11 и 3.12). Температура воды измерялась хромель-копелевыми термопарами, запись производилась 12-точечным потенциометром КСП со шкалой 0—150°С (класс точности прибора 0,25). Для измерения расхода воды использовался дифференциальный манометр ДМ, фиксирующий перепад давлений в камерной диафрагме, запись осуществлялась на вторичный прибор ДС1-05 (класс точности прибора 1,0) или индукционный расходомер ИР-11 с записью на одноточечный потенциометр КСП (класс точности прибора 0,5). Потери давления по нагреваемой воде в каждой ступени водонагревателя раздельно определялись дифференциальными перепадомерами ДС-Э с записью каждого на одноточечный потенциометр КСП. Показания приборов проверялись разовыми измерениями: расходомеров ДС — по ртутно-водяному дифманометру ДТ-50, перепадомеров — контрольными пружинными манометрами, температуры — ртутными прецизионными термометрами со шкалой 0—50; 50—100 и 100—150 °С и ценой деления 0,1 °С. ![]() Испытания водонагревателей выполнялись без отключения подачи горячей воды населению, поэтому при обработке результатов испытаний выбирались периоды с неизменным расходом горячей воды или проводился орга- низованный слив горячей воды, чтобы исключить нестационарный режим. При колебаниях расхода сетевой воды через II ступень водонагревателя из-за работы регулятора температуры последний ставился в открытое положение. ![]() Результаты испытаний обрабатывались следующий образом. Сначала определялась теплопроизводительность подогревателя каждой ступени по греющей и нагреваемой воде и проверялся баланс этих величин. На дальнейшую обработку поступали только те результаты, в дебаланс составлял не более 5 %. Затем составилась программа расчета коэффициентов теплопередачи Фактического и теоретического и их сопоставления между >бой. Расчеты выполнялись на электронно-вычислительной машине МИР-2. ![]() Так как отклонения фактических коэффициентов теплопередачи водонагревателей от расчетных значительны, рекомендуется для определения возможностей теплосъема данной установки в каждом конкретном случае проводить ее тепловые испытания по приведенной выше методике. С учетом фактического коэффициента теплопередачи следует определить требуемое число секций водонагревателя, и, если оно выше установленного, то смонтировать недостающие секции. |
|