ОПРЕДЕЛЕНИЕ ЕСТЕСТВЕННОГО ДАВЛЕНИЯ, ДЕЙСТВУЮЩЕГО В ДВУХТРУБНЫХ СИСТЕМАХ ВОДЯНОГО ОТОПЛЕНИЯ

Системы водяного отопления с естественной циркуляцией теплоносителя весьма удобны для отдельных небольших зданий, получающих тепло от собственной котельной. Радиус действия таких систем не превосходит 30 м. Эти системы надежны, бесшумны, просты в эксплуатации и не требуют затрат механической (или электрической) энергии для повседневной работы. К недостаткам систем следует отнести несколько повышенный расход металла и замедленный прогрев системы в период пуска.

Системы отопления с естественной циркуляцией теплоносителя допускаются (при соответствующем обосновании) для обогрева помещений в верхних зонах высотных зданий.


При естественной циркуляции наиболее целесообразно применение верхней разводки горячих магистральных теплопроводов, которые при прокладке по чердаку должны изолироваться для предотвращения бесполезных потерь тепла. Нижняя разводка горячих теплопроводов применяется редко и в основном в тех случаях, когда отапливаемое здание имеет бесчердачное покрытие.

Причиной возникновения естественного давления в системах водяного отопления является свойство воды, как и всякого физического тела, изменять объем при изменении температуры. Величина коэффициента объемного расширения воды не постоянна и зависит от температуры. При температуре 80 °С р-0,0006 Кг. Поэтому плотность (кг/м3) (объемная масса) единицы объема горячей воды всегда будет меньше плотности холодной воды (см. приложение II), а результатом этого является возникнове ние разности давлений, благодаря которой происходит движение воды в теплопроводах системы отопления.

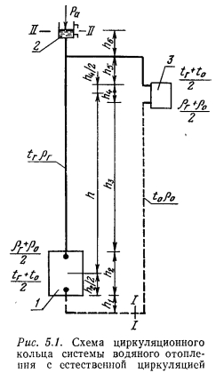
Выясним, какие факторы, кроме температурных, влияют на величину естественного давления. Рассмотрим простейшую схему системы отопления, состоящую из нагревателя, отопительного прибора 3 и теплопроводов (рис. 5.1). Как и в любой системе отопления, обязательным элементом является расширительный бак 2, устанавливаемый в наивысшей точке системы и необходимый для вмещения прироста объема нагреваемой воды и удаления воздуха.

При рассмотрении представленной схемы, состоящей из одного циркуляционного кольца, делаем допущение, что остывание воды от температуры tr до t0 происходит только в отопительном приборе. Как в подающем, так и в обратном теплопроводах вода не остывает. Температуру воды в нагревателе и в приборе принимаем равной средней температуре горячей и охлажденной воды:


Для циркуляции воды в рассматриваемом замкнутом контуре необходимо наличие разности давлений по обе стороны какого- либо сечения. Выберем для этого сечение и определим, имеется ли разность давлений по обе стороны его.

Вспомним, что гидростатическим давлением называют отношение силы к той площади, на которую она действует. Следовательно, на любое сечение, выбранное в теплопроводе, действует вес вертикального столба воды, равный массе воды, умноженной на гравитационное ускорение.



Из формулы (5.3) следует, что величина естественного давления равна расстоянию по вертикали от середины нагревателя до середины отопительного прибора, умноженному на гравитационное ускорение и на разность плотностей охлажденной и горячей воды. Атмосферное давление, высота расположения расширительного бака и удаление отопительного прибора от нагревателя по горизонтали не оказывают влияния па величину естественного давления.

При отсутствии непосредственно в здании нагревателя вводится понятие условного центра нагрева воды в системе. В этом случае расстояние по вертикали h принимается от середины отопительного прибора до оси обратного магистрального теплопровода системы.

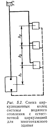
В двухтрубной системе водяного отопления число циркуляционных колец равно числу отопительных приборов. Из рис. 5.2 следует, что в циркуляционном кольце, проходящем через прибор второго этажа, естественное давление будет больше, чем в кольце, проходящем через прибор первого этажа, на величину h2g(p0 — Рг) и равно



Для третьего этажа прирост естественного давления выразится величиной hzg(p0 — рг), для четвертого — h4g(p0 — р4) и т. д.

Определение естественного давления с точностью, допустимой для инженерных расчетов, может быть упрощено и сведено к оперированию несколькими легко запоминающимися цифрами.

Если правую часть формулы (5.4) умножить и разделить на значение перепада температур



Величину р в пределах небольшого и вполне определенного диапазона температур принимают постоянной и равной ее значению для средней температуры рассматриваемого диапазона. Значение для параметров теплоносителя, принимаемых в практике строительства, приводится в табл. 5.1, а для других случаев, которые могут встречаться при расчетах систем отопления, значения р можно, определять по графику, приведенному на рис. 5.3.



Андреевский А. К. Отопление: [Учеб. пособие для вузов по спец. 1208 «Теплогазоснабжение и вентиляция»]/Под ред. М. И. Курпана.— 2-е изд., перераб. и доп.— Мн.: Выш. школа, 1982.

на главную