Автоматическое управление газовыми излучающими горелками

В отопительных установках и системах, использующих в качестве нагревательных приборов ГИГ, может быть этих горелок от нескольких штук до нескольких десятков и сотен. Чаще всего в общественных и промышленных зданиях горелки располагают на высоте более 3 м от пола, так как обслуживать их с пола затруднительно. Если в отопительной системе используется много ГИГ, то без средств автоматики обойтись нельзя. Автоматические устройства управления горелками могут осуществлять следующие функции:

а) автоматический розжиг;

б) автоматический контроль за процессом горения газа;

в) блокировку подачи газа и розжиг, отсечку газа при нарушении режима работы горелок и подачи газа;

г) автоматическое поддержание температуры в отапливаемом помещении на заданном уровне;

д) автоматическое оповещение — сигнализацию.

Зажигание газовоздушной смеси может осуществляться нихромовой спиралью диаметром 0,5—0,7 мм, на которую подается напряжение от 6 до 36 В. Потребляемая мощность спирали 60—100 Вт. При подаче напряжения спираль- раскаляется до 850—900 °С. Такая температура вполне обеспечивает воспламенение газовоздушной смеси. Однако система зажигания с помощью спирали накаливания недолговечна и инерционна. В результате воздействия высокой температуры и продуктов сгорания на спираль на ней интенсивно образуется окалина, которая снижает поверхностную температуру спирали. По той же причине часто перегорают контактные соединения. Воспламенение газовоздушной смеси происходит через 30—40 с после включения горелок.

Зажигание газовоздушной смеси может осуществляться и с помощью искры. Известно несколько способов получения искры. Наиболее распространенные в СССР способы: 1) с помощью катушек зажигания с прерывателями, соединенных электрической цепью с искроразрядниками, установленными в непосредственной близости от излучающей поверхности; 2) с помощью высоковольтного трансформатора, включенного в электрическую цепь высоковольтными проводами с искроразрядниками горелок (способ очень надежен в работе, розжиг происходит мгновенно, получаемая искра устойчива).

Система безопасности и блокировка ГИГ включает в себя приборы, осуществляющие автоматическую отсечку газа при повышении или понижении его давления сверх допустимых пределов, а также устройства, отключающие подачу газа при отсутствии электропитания и отказе в работе устройства автоматики. Системы безопасности, как правило, выполняют следующие функции: автоматическое отключение подачи газа при погасании пламени, если не срабатывает система зажигания; автоматическое отключение газа при проскоке пламени в смесительную камеру, инжектор или к соплу горелки. Иногда системы безопасности включают устройства и приборы, реагирующие На увеличение концентрации СО в воздухе отапливаемого помещения с автоматическим отсечением газа. Блокирующие системы осуществляют блокировку по давлению газа и по напряжению электрического тока в сети питания системы автоматики.

Автоматическое поддержание температуры в обогреваемом помещении в заданных пределах может осуществляться с помощью температурных датчиков или специальных терморегуляторов. Температурные датчики должны давать импульс как по температуре излучения, так и по температуре воздуха отапливаемого помещения. Установка одного датчика, дающего импульс по одной нз характерных температур, не может в должной мере обеспечивать комфортные условия в отапливаемом помещении. Регулирование температуры осуществляется за счет изменения мощности отопительной системы посредством выключения всей системы. Перспективным с точки зрения комфортных параметров является применение в системах отопления и обогрева ГИГ, работающих в широком диапазоне тепловых нагрузок и давления газа. В этом случае имеется возможность регулировать мощность и температурный режим помещения за счет изменения давления газа перед горелками.

Сигнализация может быть как звуковой, так и световой. Ее назначение — оповещение обслуживающего персонала о работе системы или установки отопления, а также об отклонениях от нормального режима работы отдельных элементов системы и аппаратуры. Визуальный контроль за работой системы (горелок, элементов и узлов автоматики) осуществляется посредством световой сигнализации, а звуковая сигнализация при аварийных ситуациях оповещает обслуживающий персонал о нарушениях в работе системы. Как правило, световая и звуковая сигнализации размещаются на пульте управления системой или вблизи места постоянного пребывания обслуживающего персонала.

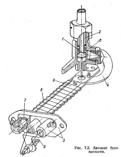
Дистанционное управление (ДУ) горелками, как следует из вышеизложенного, может включать различное число элементов автоматического управления и контроля, выполнять различные функции, вследствие этого имеют принципиальные различия и схемы ДУ. СКВ «Газприборавтоматика» разработана автоматика дистанционного зажигания и безопасности ГИГ. Всю систему можно назвать автоматизированной горелкой (рис. 7.1). Она представляет собой горелку ГИИВ-1 со встроенным автоматом безопасности, выполняющим зажигание горелки и отключение подачи газа при погасании пламени. На рис. 7.2 показан автомат безопасности, состоящий из клапана со штоком 1, втулки 2, пружины 3, биметаллической пластины 9, кронштейна 5 с тремя электроконтактными спиралями 8 биметаллической пластины и узла зажигания 6, регулировочного винта 7 и пластинчатой пружины 4. Нихромовые спирали зажигания и биметаллической пластины подключены к контактам кронштейна в последовательную электрическую цепь. При подаче контактам напряжения 12 В спираль зажигания накаляется до 800—900 °С, а спираль биметаллической пластины до 250— 300 °С. Пластинчатая пружина 4 служит для предохранения биметаллической пластины от перенапряжений.



Принцип работы автомата безопасности (рис. 7.2) заключается в следующем. При неработающей горелке холодная биметаллическая пластина нажимает на шток клапана, который перекрывает седло втулки и препятствует поступлению газа к соплу горелки. Для включения горелки необходимо подать напряжение автомату безопасности. Нихромовая спираль 8 нагревает биметаллическую пластину 9, которая при этом деформируется и отходит от штока клапана. Под действием пружины 3 клапан открывает проход газа к соплу горелки. Одновременно со спиралью 8 накаляется спираль зажигания 6, установленная у излучающей поверхности горелки и зажигающая газовоздушную смесь. Через 2—3 мин после розжига корпус горелки нагревается и подводимое к автомату безопасности напряжение отключается. Биметаллическая пластина остается нагретой за счет теплоты от сгорания газа. В случае погасания горелки биметаллическая пластина остывает, через шток прижимает клапан к седлу втулки и отсекает подачу газа в горелку.

Провода, подводимые к контактам (рис. 7.3), должны присоединяться к общему заземленному проводу. Сечение прокладываемых проводов должно быть подобрано таким, чтобы при одновременном зажигании группы горелок на контактах автоматов безопасности напряжение было в пределах от 12 до 13,2 В. Пуск горелок выполняют в такой последовательности: I) открывают кран, перекрывающий доступ газа к горелкам; 2) включают электропитание; 3) через 3 мин электропитание выключают. Потребляемая автоматикой мощность составляет 60 Вт. Инерционность по газу (количество газа, проходящего через сопло до срабатывания автомата) для природного газа не более 0,06, а для сжиженного не более 0,025 м3.



Описанная выше автоматика безопасности обладает существенным недостатком — большой инерционностью отсечки. Поэтому автоматизированные газовые горелки ГИИВ-1А применяют в установках, работающих на открытом воздухе или в больших хорошо вентилируемых помещениях.

В настоящее время проектировщикам и эксплуатационникам для систем отопления можно рекомендовать автоматику зажигания и контроля горения ГИГ АЗКГ-П типа «Искра», разработанную ГипроНИИГазом. Серийное производство автоматики освоено Саратовским экспериментальным заводом «Газап- парат». Автоматика предназначена для группового дистанционного розжига и контроля горения рассредоточенных ГИГ, применяемых в системах отопления и обогрева промышленных и сельскохозяйственных производственных помещений. В качестве излучателей в комплексе с системой автоматики могут работать излучающие горелки типа ГИИ-19А, ГК-27У, ГИИВ-I, ГИИВ-2, а также любые другие горелки с рефлекторами. Однако в конструкцию двух последних необходимо внести небольшие изменения, связанные с установкой электрозапальной свечи и термовыключателя контроля горения.

На рис. 7.4 показана принципиальная схема компоновки излучателей и автоматики. На вводе газопровода в помещение установлены отключающие устройства: край 13 и клапан-отсекатель 12. Управление системой сосредоточено в блоке управления 1. Импульс тока иа искроразрядник 3 дает высоковольтный трансформатор 2. Вместе с искроразрядником на рефлекторе крепится термовыключатель 4. Газ из общего коллектора 8 подается на излучатели 5 через подводку 6, на которой устанавливается отключающий кран 7. На каждом коллекторе смонтирован соленоидный клапан 11 с байпасом 10. Давление газа в каждом коллекторе можно измерить водяным манометром через штуцер 9. Регулирование температуры помещения в диапазоне 5—30 °С может осуществляться с помощью датчика температуры типа ДТКБ-53, подключенного к блоку управления (иа клеммы 11, 12 на рис. 7.5). Зажигание осуществляется с помощью зажигательных искровых свечей М 18X1,5, кл. 2.


Основным элементом автоматики является блок управления, выполненный в виде настенного шкафа, который электрически связан с устройством запорным газовым автоматическим УЗГА-25, смонтированным на вводе газопровода, с трансформатором зажигания, звонком громкого боя, микропереключателями и чувствительными элементами, расположенными над излучающей насадкой горелки. Чувствительный элемент (нихромовая проволока) через промежуточный рычаг связан с микропереключателем.

Работа автоматики зажигания (рис. 7.5) осуществляется от свечей зажигания, получающих напряжение от трансформатора зажигания. Для зажигания горелок необходимо включить тумблер S1. При этом должна загореться сигнальная лампочка красного цвета Н1. Эта же лампочка является сигнальной в аварийном режиме. Напряжение сети через размыкающий контакт КЗ подается на обмотку реле времени К1. При его срабатывании по цепи: размыкающий, с выдержкой времени на размыкание, контакт реле времени К1, размыкающий контакт реле КЗ, подается напряжение на первичную обмотку высоковольтного трансформатора Т2.

Со вторичной обмотки трансформатора Т2 высокое напряжение через высоковольтные конденсаторы С1...С16 подается на свечи зажигания F2...F17, на которых появляется искровой разряд. Одновременно напряжение сети подается иа первичную обмотку понижающего трансформатора Т1. Со вторичной обмотки трансформатора Т1 напряжение 24В подается на запорное газовое автоматическое устройство УЗГА-25, при срабатывании которого открывается доступ газа к группе горелок. При этом происходит поджигание газовоздушной смеси и розжиг всех излучателей.

При работе горелок нагреваются и удлиняются чувствительные элементы, и микровыключателн S3...S18 замыкают соответствующие контакты в цепи питания реле КЗ, которое срабатывает и своим размыкающим контактом размыкает цепь питания трансформатора Т2 и цепь питания электрозвоика ИЗ, а замыкающими контактами блокирует размыкающие с выдержкой времени на размыкание н замыкающие контакты реле времени К1 и включает зеленую лампу Н2. При этом красная лампа Н1 гаснет. Лампа Н2 сигнализирует о нормальном рабочем режиме.

В аварийном режиме автоматика работает следующим образом: в случае погасания хотя бы одной горелки остывает чувствительный элемент, реле КЗ обесточивается, схема автоматики возвращается в первоначальное состояние и весь цикл розжига повторяется. Если горение погасшей горелки восстанавливается, то схема возвращается в нормальный рабочий режим. В случае невозможности восстановить горение или возникновения какой-нибудь неисправности элементов автоматики срабатывает размыкающий контакт реле времени К1 с выдержкой времени на размыкание (не более 180 с), который обесточит клапан УЗГА-25 н включит звонок громкого боя НЗ. В случае снятия напряжения в электросети схема обесточивается, устройство УЗГА-25 закрывает доступ газа к горелкам. Если же снова через какой-то промежуток времени будет включено напряжение, то схема автоматики осуществит зажигание горелок н выйдет на нормальный рабочий режим.

Отключение горелок производится переключением тумблера S1 на блоке управления в положение «Выкл.». При этом схема обесточивается и горелки гаснут, так как срабатывает соленоидный клапан УЗГА-25, отключающий подачу газа. Затем перекрывается отключающее устройство — пробковый кран на подводящем газопроводе до соленоидного клапана.

При изменении давления газа на вводе в распределительный газопровод системы отопления выше допустимых норм срабатывает мембранный клапан-отсекатель ПКН-40, прекращающий доступ газа ко всем горелкам системы.

В схеме предусмотрена кнопка S2, предназначенная для ручного (при необходимости) розжига горелок и проверки наличия искры на свечах зажигания. Дополнительные сведения по работе схемы, требования к правильной эксплуатации, характерные неисправности и способы их устранения приведены в заводской инструкции, прилагаемой к комплекту автоматики.

Если одна из горелок, обслуживаемых блоком автоматики, гаснет и повторный розжиг не восстанавливает горение на ее поверхности, происходит отсечка газа. Отключение подачи газа происходит также при неисправности самой автоматики. Чтобы вновь включить автоматику, необходимо устранить неисправность и повторить розжиг. При выключении системы отопления или терморадиационной установки с ГИГ на продолжительный срок необходимо закрыть все запорные устройства перед ГИГ и на вводе газопровода в помещение.

Родин А. К./Газовое лучистое отопление.— Л.: Недра, 1987.

на главную